알기쉬운 전기, 전자 와 생활 정보

전기기사의 한사람으로서 전기, 전자 분야의 전문적인 내용을 일반 사람들이 쉽게 이해할 수 있도록 설명하는 목적으로 개설한 블로그 입니다. 또한 내 일상 생활의 주변에서 발견한 개선점을 공유하기 위한 게시물이 있습니다.

2024년 7월 15일 월요일

미국인 마누라, 킴벌리와 나의 일상

›
킴벌리와의 결혼 생활이 어느듯 7년을 넘겼다. 너무도 착한 킴벌리와의 결혼 생황에 나는 전혀 불만이 없고 이제는 눈빛만 보아도 서로 소통이 되는 터라 서로 싸울 일은 전혀 없다. 나는 1949년생이고 킴벌리는 나보다 16년 아래인 1965년 생이다. ...
2023년 11월 1일 수요일

외국인 성인 입양 방법, 양부모 중 한사람이 외국(미국)인의 경우

›
인터넷 검색을 해보면 몇 분의 법무사님께서 위 제목과 같은 글을 포스트한 내용을 쉽게 찾아 볼 수 있다. 그러나 내 경우, 처가 미국 국적인 경우라 매우 쉽지않은 절차를 거쳐 접수를 완료하고 입양이 완료되었다. 출생 부모의 입양동의서나 가족 관련 서류...
2023년 2월 27일 월요일

일본 나가사끼 여행

›
1. 일본은 불편한 나라 세계에서 유일하게 원자폭탄을 경험한 일본이 히로시마에 이어 두번째 원자폭탄을 얻어맞은 나가사끼현 나가사끼시를 2023년2월8일부터 2월18일까지 방문했다. 일본이라는 나라는 여행자에게는 상당히 불편한 나라다. 관광호텔의 카운터...
2020년 12월 8일 화요일

미제 마누라와 살아보니(Living with an American Wife)

›
미제 마누라와 살아온지 이제 3년이 넘었다. 왜 이런 집을 얻는 데 사전에 의논을 하지 않았냐?는 불평부터 손에 꼽을 만 한 횟수의 부부 싸움이 있었지만 지금은 서로의 불가침 영역을 잘 알기 때문에 거의 싸우는 일은 없다. 내 마누라는 미국 테네시주 ...
2020년 12월 1일 화요일

An advise & proper English translation to help Replacing Control Gears of Chinese Electric Bike

›
      I have troubled to replace a malfunctioning the Chinese made bike controller and successfully finished after several times of try outs...
2020년 5월 15일 금요일

Basic Concept of Capacity of Batteries/배터리의 용량에 대한 기본적인 이해

›
최근 개발된 리튬-이온 배터리로 인하여 우리 주면에 이를 이용하는 장치가 예전에 비해 많아졌다. 리튬-이온 방식의 배터리는 닉켈-카드늄 배터리에 비해 에너지 밀도가 2~3배가 되어 이를 이용한 대표적인 제품인 휴대폰을 필두로 전동 드릴, 가정용 진...
2020년 4월 23일 목요일

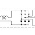
Internal Circuit of Synchronous AC Generator.교류 동기발전기의 내부 회로

›
대형 빌딩이나 아파트 같은 곳의 비상 전원 장치로 많이 사용하는 내연 기관을 동력으로 한 삼상 교류 동기 발전기의 내부 회로는 아래 그림과 같다. 이 회로를 설명하면 다음과 같다. 발전기는 기계적 회전력을 입력으로 하고 전기적 출력을...
›
홈
웹 버전 보기

프로필

Won S. Yoo
전체 프로필 보기
Powered by Blogger.